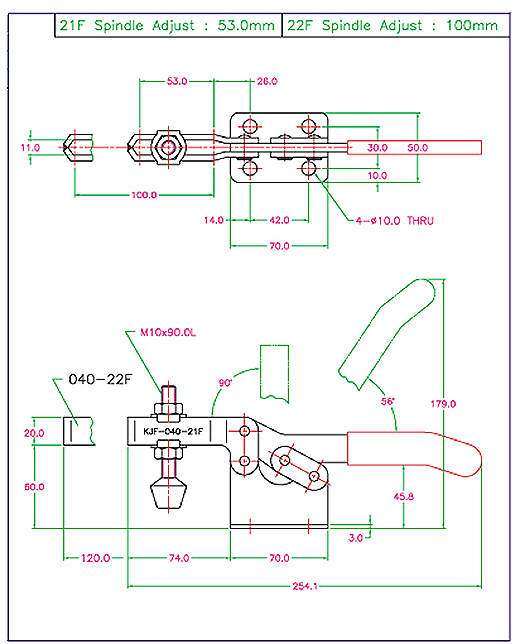
☞도면다운로드바로가기